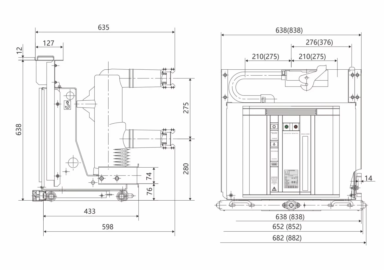
Технические параметры
| Основные технические параметры | ||||
| Название предмета | Единица | Данные | ||
| Номинальное напряжение | kv | 12 | ||
| Номинальная кратковременная рабочая частота Выдерживаемое напряжение (1 мин) | kv | 42 | ||
| Номинальное напряжение, выдерживаемое при ударе молнии (пиковое) | kv | 75 | ||
| Номинальная частота | Гц | 50 | ||
| Номинальный ток | A | 630 1250 | 1600.2000.2500. 3150.4000 | |
| Номинальный ток короткого замыкания | KA | 25 | 31.5 | 40 |
| Номинальный кратковременный выдерживаемый ток | KA | 25 | 31.5 | 40 |
| Номинальная длительность короткого замыкания | S | 4 | 4 | 4 |
| Номинальный пиковый выдерживаемый ток | KA | 63 | 80 | 100 |
| Номинальный ток замыкания при коротком замыкании | KA | 63 | 80 | 100 |
| Мощность вторичной цепи Частота Выдерживаемое напряжение (1 мин) | V | 2000 | ||
| Номинальный ток включения и выключения одиночного/обратного блока конденсаторов | A | 630/400 (40KA - 800/400) | ||
| Номинальный ток замыкания блока конденсаторов | KA | 12,5 (частота≤1000 Гц) | ||
| Время перерыва и торможения | мс | ≤50 | ||
| Время закрытия | мс | ≤70 | ||
| Механический срок службы | Times | 30000 | ||
| Допустимая толщина износа динамических и статических контактов | мм | 3 | ||
| Номинальное рабочее напряжение закрытия | V | AC110/220 DC110/220 | ||
| Номинальное рабочее напряжение срабатывания | V | AC110/220 DC110/220 | ||
| Номинальное напряжение двигателя накопителя энергии | V | AC110/220 DC110/220 | ||
| Номинальная мощность двигателя накопителя энергии | W | 90 | ||
| Время хранения энергии | S | ≤15 | ||
| Контакты | мм | 9±1 | ||
| Путешествие за границу | мм | 3.5±0.5 | ||
| Время закрытия контактов | мс | ≤2 | ||
| Трехфазное разделение и закрытие не относятся к одному и тому же периоду | мс | ≤2 | ||
| Средняя скорость разрыва (расстояние между контактами - 5 мм) | м/с | 0.9–1.3 | ||
| Average Closing Speed (5Mm–Contact Closing) | м/с | 0.6–1.0 | ||
| Проскакивание тормозов | мм | ≤2 | ||
| Сопротивление главной цепи | μΩ | ≤50(630), ≤45(1000/1250), ≤35(1600/2000), ≤25(2500/3150), ≤20(4000) | ||
| Давление замыкания контактов | N | 3100±200(25-31.5КА) / 4600±2500(40КА) | ||
| Последовательность операций | O-0.3s-CO-180S-CO | |||
Рисование









