Professional JN15 12 31.5 Indoor High Voltage Earthing Switch
Robust Grounding Solution with High Short Circuit Making Capacity
Description du produit
Model No.: JN15-12/31.5
This indoor high voltage earthing switch is an advanced safety component designed for 12kV power systems and metal clad switchgear like KYN28. It is specifically engineered to provide reliable grounding protection and features a high short circuit making capacity of 31.5kA to ensure equipment and operator safety.
Key Product Advantages
Proven Design: Based on the reliable JN15 series architecture for global compatibility.
Superior Safety: Equipped with a reliable spring powered closing mechanism for rapid operation.
Strict Compliance: Manufactured and tested in accordance with IEC 62271 102 standards.
Easy Integration: Compact structure suitable for various indoor switchgear mounting requirements.
Paramètres techniques
| Non. | Objet | Unité | Données | |
| 1 | Tension nominale | KV | 12 | |
| 2 | Rated short time withstand current | KA | 31.5 | |
| 3 | Rated short circuit withstand time | S | 4 | |
| 4 | Rated short circuit making current | KA | 80 | |
| 5 | Courant de résistance nominal de crête | KA | 80 | |
| 6 | Niveau d'isolation nominal | 1 min fréquence d'alimentation tension de résistance | KV | 42 |
| Lightning Impulse withstand voltage | 75 | |||
| 7 | Durée de vie mécanique | Temps | 2000 | |
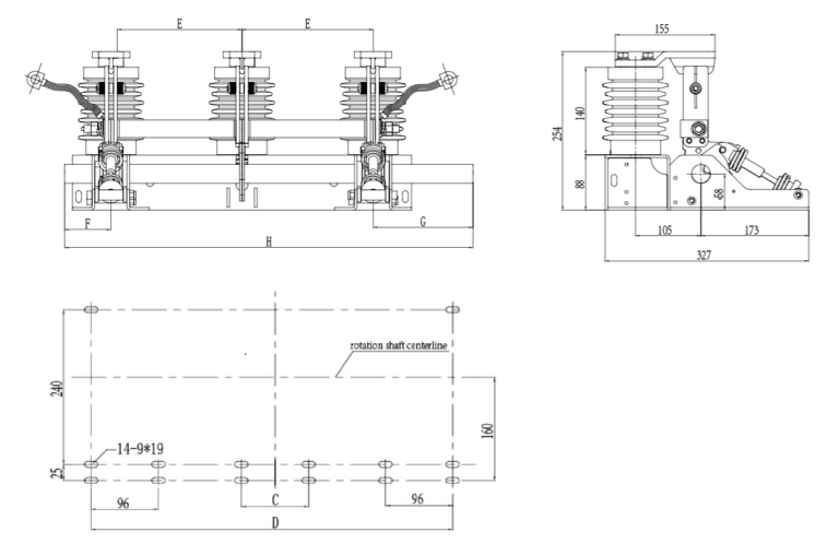
Dessin

| Specification | E | F | G | H | D | C |
| JN15-12/31.5-165 | 165 | 75 | 160 | 565 | 426 | |
| JN15-12/31.5-180 | 180 | 75 | 160 | 595 | 456 | |
| JN15-12/31.5-200 | 200 | 75 | 160 | 635 | 496 | |
| JN15-12/31.5-210 | 210 | 75 | 160 | 655 | 516 | |
| JN15 12/31.5 230 | 230 | 75 | 160 | 695 | 556 | 96 |
| JN15-12/31.5-250 | 250 | 75 | 160 | 735 | 596 | 96 |
| JN15-12/31.5-275 | 275 | 75 | 185 | 810 | 646 | 96 |


















